0086 15335008985
主な機能とアプリケーション
MFdマイニング換気バタフライバルブは、主に炭鉱換気、粉塵除去、環境保護工学などのパイプラインシステムで使用され、異なる信号に従ってパイプライン内のガス媒体の流れを調節および遮断します。合理的な構造、損傷抵抗、低流量抵抗、最小漏れ、簡単な操作、長いサービス寿命の特徴があります。
分類とパラメーター
マイニング換気バタフライバルブは、電気換気バタフライバルブや空気圧換気バタフライバルブなど、制御タイプによって分類されます。
1)マイニング用の電気換気バタフライバルブには2つのタイプがあります:分割タイプと統合タイプ
*KXBCマイニング爆発バルブ電気デバイスコントロールボックスと組み合わせて使用した後、スプリットタイプの電気換気バタフライバルブはDCSシステムに接続できます
ガスパイプラインの自動制御を実現します。
*統合された電気換気バタフライバルブには、リモートスイッチングまたは調整を実現するために、ボディをオンまたはリモートで切り替えることができます。
個別のコントロールボックスを必要とせずに制御します。
*Modbus、Profbus、およびその他のバス通信を構成することができ、データ通信を実現するために485バスインターフェイスを備えています。
*電気換気バタフライバルブの主な性能とパラメーター:
| 電気換気バタフライバルブモデル | MFD9B41W |
| dn(mm) | DN100〜4000 |
| 中程度と温度 | 空気、ガス含有ガス混合物。 ≤300℃ |
| 公称圧力(MPA) | PN0.1MPA |
| 漏れ率 | ≤1% |
| 電圧 | 380/660V |
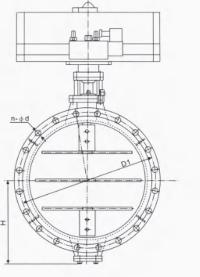
構造概略図
分類とパラメーター
マイニング空気圧換気バタフライバルブは、迅速な開閉を必要とする換気パイプラインに適用され、高速のリモートスイッチングまたは調整制御を実現できます。
*空気圧換気バタフライバルブの主な性能とパラメーター。
| 空気圧換気されたバタフライバルブモデル | MFD6B41W |
| DN(mm) | DN100〜4000 |
| 中程度と温度 | 空気、ガス含有ガス混合物。 ≤300℃ |
| 公称圧力(MPA) | 0.01(テスト圧力0.02) |
| 漏れ率 | ≤1% |
| 空気圧換気バタフライバルブは、制御形式で利用できます | ダブル作用、単一作用 |
| 空気圧換気バタフライバルブオプション機能 | スイッチングタイプ、調整タイプ |
| ソレノイド/ポジショナー電圧 | AC24V、DC24V、AC110V、AC220V |
| 圧縮空気圧 | 2bar〜8bar |
構造概略図
接続サイズおよび関連するマイニング爆発バルブ電気デバイス用の選択テーブル
| バルブの主な寸法 | マイニングの主なパラメーター 爆発防止タイプ/マイニング爆発防止統合電気デバイス | ||||||
| DN | l | D | D1 | n-φd | マイニング爆発防止バルブ 電気デバイスモデル | 電圧(V) | パワー(kw) |
| 500 | 220 | 645 | 600 | 20-22 | QB/QBY30 | 380/660 | 0.18 |
| 600 | 220 | 755 | 705 | 20-26 | QB/QBY40 | 380/660 | 0.18 |
| 700 | 240 | 860 | 810 | 24-26 | QB/QBY60 | 380/660 | 0.18 |
| 800 | 240 | 975 | 920 | 24-30 | QB/QBY60 | 380/660 | 0.18 |
| 900 | 260 | 1075 | 1020 | 24-30 | QB/QBY90 | 380/660 | 0.25 |
| 1000 | 260 | 1175 | 1120 | 28-30 | QB/QBY90 | 380/660 | 0.25 |
| 1100 | 260 | 1275 | 1220 | 28-30 | QB/QBY90 | 380/660 | 0.25 |
| 1200 | 280 | 1375 | 1320 | 32-30 | QB/QBY120 | 380/660 | 0.37 |
| 1300 | 280 | 1475 | 1420 | 32-30 | ZB/ZBY15 | 380/660 | 0.37 |
| 1400 | 300 | 1575 | 1520 | 36-30 | ZB/ZBY15 | 380/660 | 0.37 |
| 1500 | 300 | 1690 | 1630 | 36-30 | ZB/ZBY15 | 380/660 | 0.37 |
| 1600 | 320 | 1790 | 1730 | 40-30 | ZB/ZBY15 | 380/660 | 0.37 |
| 1700 | 320 | 1890 | 1830 | 40-30 | ZB/ZBY20 | 380/660 | 0.55 |
| 1800 | 340 | 1990 | 1930 | 44-30 | ZB/ZBY20 | 380/660 | 0.55 |
| 1900 | 340 | 2090 | 2030 | 48-30 | ZB/ZBY20 | 380/660 | 0.55 |
| 2000 | 360 | 2190 | 2130 | 48-30 | ZB/ZBY20 | 380/660 | 0.55 |
| 2100 | 360 | 2290 | 2230 | 52-33 | ZB/ZBY30 | 380/660 | 0.75 |
| 2200 | 380 | 2405 | 2340 | 52-33 | ZB/ZBY30 | 380/660 | 0.75 |
| 2300 | 380 | 2505 | 2440 | 56-33 | ZB/ZBY30 | 380/660 | 0.75 |
| 2400 | 400 | 2605 | 2540 | 56-33 | ZB/ZBY30 | 380/660 | 0.75 |
| 2500 | 400 | 2706 | 2640 | 60-33 | ZB/ZBY30 | 380/660 | 0.75 |
| 2600 | 420 | 2805 | 2740 | 60-33 | ZB/ZBY45 | 380/660 | 1.1 |
| 2800 | 440 | 3030 | 2960 | 64-36 | ZB/ZBY45 | 380/660 | 1.1 |
| 3000 | 460 | 3230 | 3160 | 68-36 | ZB/ZBY45 | 380/660 | 1.1 |
| 3200 | 480 | 3430 | 3360 | 72-36 | ZB/ZBY45 | 380/660 | 1.1 |
| 3400 | 500 | 3630 | 3560 | 76-36 | ZB/ZBY45 | 380/660 | 1.1 |
| 3600 | 520 | 3840 | 3770 | 80-36 | ZB/ZBY45 | 380/660 | 1.1 |
| 3800 | 540 | 4045 | 3970 | 80-39 | ZB/ZBY60 | 380/660 | 1.5 |
| 4000 | 560 | 4245 | 4170 | 84-39 | ZB/ZBY60 | 380/660 | 1.5 |
















