0086 15335008985
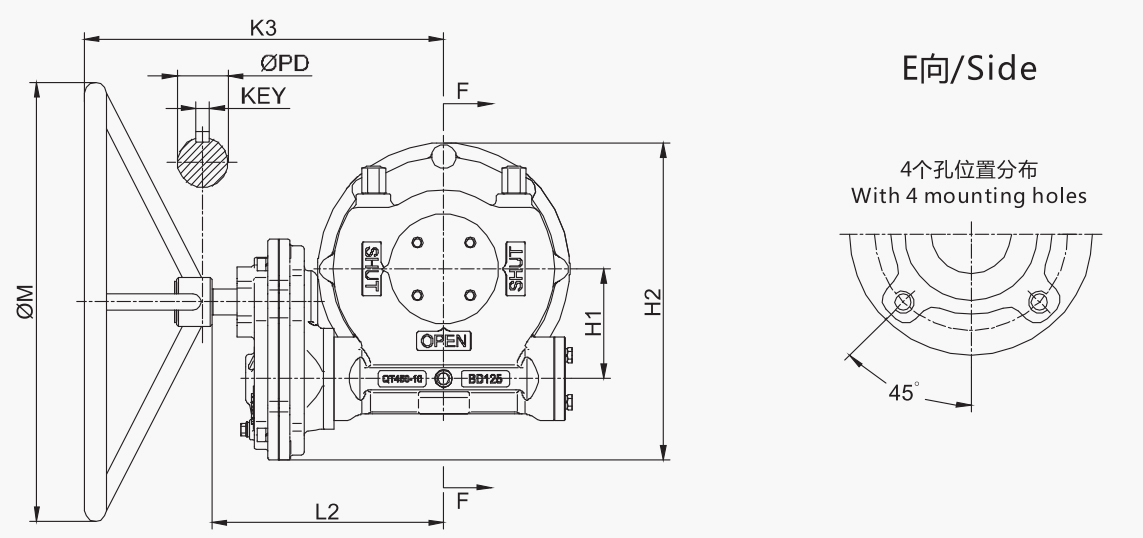
| タイプ | パラ/モデル | 技術的なパラメーター | ベースパーツ | 外部部分 | 手 車輪 | |||||||||||||||||
| 標準 フランジ acC.ISO521 | オプション 取り付け ACC.ISO521 | オプション 比率 | 入力 nm | 評価 出力 nm | ma ±10% | max.bore dia。 mm | 重さ kg | d1 | P.C.D | D3 | H0 | H1 | H2 | K | K3 | L2 | PD | 鍵 | ||||
| D2 | n-h-dp | M | ||||||||||||||||||||
| A | AD80 | F14 | F10-F12 | 50:1 | 126 | 1800 | 14.3 | 50 | 17 | 100 | 140 | 4-M16-24 | 175 | 3 | 80 | 217 | 101 | 300 | 153 | 21 | 6 | 400 |
| AD100 | F16 | F12-F14 | 54:1 | 156 | 2500 | 16 | 60 | 27 | 130 | 165 | 4-M20-30 | 210 | 3 | 100 | 263 | 112 | 346 | 201 | 28 | 8 | 500 | |
| AD125 | F20 | F16-F25 | 71:1 | 167 | 3500 | 21 | 70 | 39 | 140 | 205 | 8-M16-24 | 250 | 3 | 125 | 316 | 117 | 398 | 218 | 28 | 8 | 600 | |
| AD140 | F25 | F16 | 66:1 | 237 | 4500 | 19 | 90 | 48 | 200 | 254 | 8-M16-24 | 300 | 4 | 140 | 368 | 133 | 430 | 250 | 32 | 10 | 700 | |
| b | AD100 M23 | F16 | F12-F14 | 130:1 | 100 | 3800 | 38 | 60 | 31 | 130 | 165 | 4-M20-30 | 210 | 3 | 100 | 284 | 112 | 362 | 233 | 21 | 6 | 450 |
| AD125 M23 | F20 | F16-F25 | 172:1 | 115 | 5800 | 50 | 70 | 43 | 140 | 205 | 8-M16-24 | 250 | 3 | 125 | 336 | 117 | 380 | 250 | 21 | 6 | 500 | |
| AD140 M24 | F25 | F16 | 225:1 | 135 | 8500 | 63 | 90 | 63 | 200 | 254 | 8-M16-24 | 300 | 4 | 140 | 397 | 133 | 438 | 238 | 21 | 6 | 600 | |
| AD160 M25 | F30 | F25 | 318:1 | 120 | 11000 | 92 | 105 | 87 | 230 | 298 | 8-M20-30 | 350 | 4 | 160 | 421 | 153 | 465 | 285 | 21 | 6 | 600 | |
| C | AD140 m30 | F25 | F16 | 500:1 | 70 | 9000 | 130 | 90 | 75 | 200 | 254 | 8-M16-24 | 300 | 4 | 140 | 405 | 133 | 450 | 290 | 28 | 8 | 500 |
| AD160 M31 | F30 | F25 | 383:1 | 140 | 14000 | 103 | 105 | 110 | 230 | 298 | 8-M20-30 | 350 | 4 | 160 | 459 | 153 | 562 | 382 | 28 | 8 | 600 | |
| 519:1 | 100 | 14000 | 140 | |||||||||||||||||||
| AD180 M31 | F30 | F25 | 433:1 | 165 | 18000 | 108 | 105 | 136 | 230 | 298 | 8-M20-30 | 350 | 4 | 180 | 494 | 163 | 569 | 390 | 28 | 8 | 600 | |
| 588:1 | 122 | 18000 | 147 | |||||||||||||||||||
| AD200 M32 | F35 | F25-F30 | 581:1 | 164 | 25000 | 153 | 120 | 169 | 260 | 356 | 8-M30-45 | 415 | 4 | 200 | 552 | 189 | 589 | 409 | 28 | 8 | 600 | |
| 784:1 | 122 | 25000 | 205 | |||||||||||||||||||
| AD225 M32 | F35 | F25-F30 | 666:1 | 205 | 36000 | 176 | 140 | 196 | 260 | 356 | 8-M30-45 | 415 | 5 | 225 | 619 | 195 | 604 | 422 | 28 | 8 | 700 | |
| 896:1 | 153 | 36000 | 236 | |||||||||||||||||||
| AD250 M33 | F40 | F30-F35 | 856:1 | 210 | 48000 | 229 | 165 | 264 | 300 | 406 | 8-M36-54 | 475 | 5 | 250 | 669 | 206 | 641 | 461 | 28 | 8 | 700 | |
| 1287 | 140 | 48000 | 344 | |||||||||||||||||||
| AD280 M33 | F40 | F30-F35 | 969:1 | 245 | 60000 | 247 | 165 | 300 | 300 | 406 | 8-M36-54 | 475 | 5 | 280 | 729 | 213 | 701 | 481 | 28 | 8 | 800 | |
| 1457:1 | 162 | 60000 | 372 | |||||||||||||||||||
| AD315 M34 | F48 | F35-F40 | 1278:1 | 236 | 80080 | 339 | 190 | 490 | 370 | 483 | 12-M36-54 | 560 | 5 | 315 | 835 | 246 | 776 | 556 | 45 | 14 | 800 | |
| 2044:1 | 148 | 80000 | 542 | |||||||||||||||||||
| AD355 M34 | F48 | F35-F40 | 1447:1 | 275 | 100000 | 368 | 190 | 535 | 370 | 483 | 12-M36-54 | 560 | 5 | 355 | 910 | 254 | 801 | 581 | 45 | 14 | 900 | |
| 2314:1 | 170 | 100000 | 589 | |||||||||||||||||||
| AD400 V9 | F60 | F40-F48 | 1395:1 | 430 | 150000 | 351 | 220 | 785 | 470 | 603 | 20-M36-54 | 686 | 5 | 400 | 1002 | 290 | 844 | 624 | 45 | 14 | 900 | |
| D | AD225 M32 1S04 | F35 | F25-F30 | 1752:1 | 92 | 36000 | 393 | 140 | 210 | 260 | 356 | 8-M30-45 | 415 | 5 | 225 | 619 | 195 | 681 | 518 | 28 | 8 | 600 |
| AD250 M33 1S04 | F40 | F30-F35 | 2251:1 | 95 | 48000 | 510 | 165 | 277 | 300 | 406 | 8-M36-54 | 475 | 5 | 250 | 669 | 206 | 719 | 528 | 28 | 8 | 600 | |
| AD280 M33 1S04 | F40 | F30-F35 | 2548:1 | 110 | 60000 | 552 | 165 | 313 | 300 | 406 | 8-M36-54 | 475 | 5 | 280 | 729 | 213 | 739 | 558 | 28 | 8 | 600 | |
| AD315 M34 1S04 | F48 | F35-F40 | 3361:1 | 106 | 80000 | 756 | 190 | 503 | 370 | 483 | 12-M36-54 | 560 | 5 | 315 | 835 | 246 | 832 | 632 | 28 | 8 | 600 | |
| AD355 M34 1S04 | F48 | F35-F40 | 3806:1 | 117 | 100000 | 858 | 190 | 548 | 370 | 483 | 12-M36-54 | 560 | 5 | 355 | 910 | 254 | 857 | 657 | 28 | 8 | 700 | |
| AD400 V9 1S05 | F60 | F40-F48 | 4185:1 | 170 | 150000 | 892 | 220 | 805 | 470 | 603 | 20-M36-54 | 686 | 5 | 410 | 1002 | 290 | 948 | 718 | 28 | 8 | 800 | |
単一のステージ
Bダブルステージ
Cダブルステージ
d多段階
製品の紹介
ADシリーズ、KB(GB)シリーズ、WLシリーズなど、3つのシリーズパートターンワームギアボックスがあります。体の主な材料は、延性鉄、鋳鉄製などです。取り付けフランジは、F07からF60.Torque範囲まで250000Nmまでの1S05211サイズに続きます。
応用
ボールバルブ、バタフライバルブ、プラグバルブ、その他の90度回転式機器に適したギアボックス。水、油、ガス、化学物質、電力、一般的な誘導適用を提供します。
特性
マニュアルおよび電動アプリケーションに適した製品に設計された製品。 LS0 5210またはJB2900に従って、ロックデバイスとチェーンホイールを供給することもできます。
標準的なボディマテリアルは、延性鉄と炭素鋼です。カスタマイズされた低温鋼またはステンレス鋼はオプションです。
AmbientTemperature:-20c〜120'c、および-30'c、-40 '℃、-59'cなどの低温環境向けにもカスタマイズできます。
標準保護グレードはLP65、LP67、LP68はカスタマイズされています。
モデルの説明
広告シリーズ
広告番号:AD100などのシングルステージ。
広告番号M番号:ダブルステージ、「M」はAD140 M24などの減少コードです。
広告番号G番号:埋もれたタイプのワームギアボックスを指し、「G」はAD100 G01などの紹介者コードです。
モデル番号は、DAD100などの電動アプリケーションを備えたギアボックスの「D」から始まりました。
KBシリーズ
KB番号:KB-02などのシングルステージ
KB-Number-S/SD:ダブルステージ、「S」/"SD"は、KB-04-1S、KB-04-1SD..ETCなどの減少コードです
KB番号G/またはKB番号-SD G/ V:埋もれたタイプ、G/ IS KB-02 VS10、KB-05-1SD G02などの入力還元剤のコード。
モデル番号は、DKB-02などの電動アプリケーションを備えたギアボックスの「D」から始まりました。
シリーズ機能
広告シリーズ
手動および電動アプリケーションを要求するのに適したQuarターンワームギアボックスの完全な範囲。ボトムフランジの交換は便利で、より完全なフランジサイズ、より良いマッチングバルブ、
製品材料は、精密鋳造を備えた延性鉄です。
防水グレードの標準はLP67に達する可能性があり、LP68はカスタマイズされています。
周囲温度:-20'c〜120°C;
ステムブッシュは、バルブステムをよりよく合わせ、よりコンピニックにします。
テーパーローラーベアリングを使用することにより、セルフロックのあるギアボックスは、トランスミッションをより柔軟で効率的にします。
KBシリーズ
マニュアルおよび電動アプリケーションを要求するのに適したQuarターンワームギアボックスの完全な範囲。
主な材料は、炭素鋼、延性鉄、および低温鋼であり、ステンレス鋼はオプションです。
防水GradelP65、およびLP67、LP68はカスタマイズされています。
周囲温度:-20'c〜120 'c、しかし-30'c、-40'c、-59'およびその他の低温はオプションです。
ステムブッシュは、バルブの茎をよりよく合わせ、より便利にします。
テーパーローラーベアリングを使用して、セルフロックを備えたギアボックスを使用して、トランスミッションをより柔軟で効率的にします。
WLシリーズ
ワームとハンドホイールのシャフトは分割されており、構造は硬く、コンパクトで美しいデザインで、手動アプリケーションに適しています。
この一連のワームスプリットタイプ、コンパクト構造設計、フランジ品種、より良いマッチングバルブ。
材料:延性鉄;
ロックデバイス付きのギアボックス。
防水グレードはLP65に到達でき、LP67はカスタマイズできます。
ベアリングを使用してセルフロックのあるギアボックス。これにより、トランスミッションがより柔軟で効率的になります。

















